e-fat/e-cargo

موتور توپی عقب S-Type Pro RF

موتور توپی عقب S-Type Pro RF (چرخ آزاد) برای دوچرخه های E-Cargo و E-Fat طراحی شده است که توان نامی 750 وات تا 1500 وات را ارائه می دهد. این خودرو دارای یک چرخ آزاد 7 سرعته، خروجی 175 میلی متری و حداکثر گشتاور بیش از 145 نیوتن متر است. این موتور کشش قوی را در شرایط با سرعت کم فراهم می‌کند، از توانایی بالا رفتن پایدار در شیب‌های تند، و شن‌های نرم اطمینان می‌دهد و به طور موثر کمبودهای قدرت را در شرایط بار بالا حل می‌کند. مجهز به چرخ دنده های فولادی پلاستیکی ثبت شده HENTACH، ظرفیت گشتاور 5 برابر چرخ دنده های نایلونی سنتی را ارائه می دهد که بیش از 40000 کیلومتر طول می کشد و هزینه های تعمیر و نگهداری را به میزان قابل توجهی کاهش می دهد. در کاربردهای دوچرخه الکترونیکی بیش از 1000 وات، تنها چرخ دنده های فولادی Hengtai می توانند گشتاورهای مداوم بالای 100 نیوتن متر را تحمل کنند.

پارامتر کلیدی
ساختار موتور: ولتاژ نامی (V): توان نامی (W):
/ 36-60 600-1500
اوج گشتاور (N.m.): وزن (کیلوگرم): قدیمی (میلی متر):
145 5.8 175
اطلاعات جزئی
  • موتور توپی عقب S-Type Pro RF
  • موتور توپی عقب S-Type Pro RF
Ningbo Yinzhou HENTACH Electromechanical Co., Ltd. Product Parameters Ningbo Yinzhou HENTACH Electromechanical Co., Ltd. Drawing Ningbo Yinzhou HENTACH Electromechanical Co., Ltd. Contact Us

داده های اصلی

قدرت نامی 600-1500
ولتاژ نامی 36-60
قطر چرخ 20-26
محدوده سرعت 35-65
حداکثر گشتاور 145
نسبت دنده 5
وزن (کیلوگرم) 5.8

پارامترهای نصب

ترمز ترمز دیسکی
کاست سنسور گشتاور خیر
مسیر کابل کشی سمت چپ محور
سوراخ اسپک 2-18-Ф3.2
رتبه بندی ضد آب IP54 (تا IP65)
چرخ فلایویل / چرخ زنجیری سرعت چرخش هفت سرعته
گواهینامه ها TUV/EN15194/RoHS

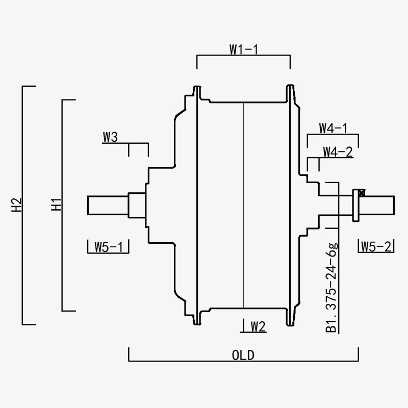
H1/OD: 162
H2/OD موتور: 183
W1(-1/-2): 70.8
W2: 0
W3: 15.2
W4(-1/-2): 39/9
W5(-1/-2): 31/27
قدیمی: 175
طول محور: 233
Ningbo Yinzhou HENTACH Electromechanical Co., Ltd.
با ما تماس بگیرید
  • ارسال و ارسال
Ningbo Yinzhou HENTACH Electromechanical Co., Ltd.
آنچه ما را متمایز می کند
  • موتور هاب درایو عقب قدرتمند با دنده های باز 175 میلی متری تا 1500 وات.

  • چرخ دنده های پلاستیکی اختراع شده: 5 برابر گشتاور چرخ دنده های نایلونی. طول عمر بیش از 40000 کیلومتر؛ کاهش فروش پس از فروش

  • گشتاور استال تا 145 نیوتن متر یا بیشتر، طراحی شده برای eft/Cargo.

ما کی هستیم بیش از 20 سال تجربه تولید

Ningbo Yinzhou HENTACH Electromechanical Co., Ltd. (هنگتای موتور سابق) در سال 1995 تأسیس شد و قبلاً با نام «هنگتای موتور» (نام چینی شرکت ما) شناخته می‌شد، در سال 2020 رسماً نام انگلیسی «هنتاچ موتور» را برگزیدیم. هر دو نام سازنده یکسانی هستند که بیش از 30 سال به نوآوری‌های الکترومکانیکی اختصاص داده شده است. متخصص در ریخته‌گری و پردازش دقیق موتورهای DC مینیاتوری، موتورهای الکتریکی/موتور سیکلت و آلیاژهای آلومینیوم-منیزیم برای وسایل نقلیه الکتریکی، ما سیستم کنترل کیفیت ISO 9001 دقیق، شیوه‌های مدیریت بالغ، و تجهیزات ساخت/آزمایش پیشرفته را برای ارائه راه‌حل‌های قابل اعتماد ترکیب می‌کنیم.

با قابلیت‌های جامع از ریخته‌گری مواد اولیه تا تحویل محصول نهایی، ما به بازارهای متنوعی از جمله دوچرخه‌های برقی، وسایل نقلیه باری، AGVها، ماشین‌های گلف، ماشین‌های کشاورزی و کارتینگ برقی خدمات ارائه می‌دهیم. محوطه ۹۰۰۰ متر مربعی (مساحت زیربنای ۵۰۰۰ متر مربع) ما بیش از ۶۰ واحد تجهیزات پیشرفته تولیدی، از جمله ماشین‌های ریخته‌گری تحت فشار ۵۰۰ تنی، ماشین‌های ابزار دقیق CNC، سیستم‌های علامت‌گذاری لیزری، خطوط اکسیداسیون میکرو قوس و دو میز تست موتور اختصاصی وسایل نقلیه الکتریکی را در خود جای داده است. این زیرساخت، تولید کارآمد و رعایت دقیق استانداردهای کیفیت بین‌المللی را تضمین می‌کند.

در HENTACH (هنگتای)، ما مواد با کیفیت بالا و فناوری انحصاری را در اولویت قرار می دهیم - دنده نایلونی فولادی ثبت شده ما گواهی بر برتری مهندسی ما است. برای تأیید دوام، یک بار برنامه تضمین مسافت پیموده شده را برای موتورهای بیش از 30000 مایل راه اندازی کردیم. نتیجه؟ بیش از 50 موتور نه تنها این معیار را برآورده کردند بلکه از آن پیشی گرفتند و برخی از آنها به 50000 مایل قابل توجه رسیدند. این عملکرد در دنیای واقعی تمرکز بی‌وقفه ما را بر قابلیت اطمینان منعکس می‌کند و ما را به نوآوری مداوم برای راه‌حل‌های موتوری هوشمندتر و قوی‌تر تشویق می‌کند.
به برندی که در سطح جهانی با نام‌های هنگتای موتور و هنتاچ موتور شناخته می‌شود اعتماد کنید - جایی که نوآوری دنده فولادی ثبت شده با دوام اثبات شده مطابقت دارد.

تایید شده توسط گواهینامه ها