E-Road / E-City

موتور توپی عقب HT MINI

موتور هاب HT MINI Thread on Freewheel برای دوچرخه های شهری و جاده ای طراحی شده است و آن را به یکی از کوچکترین موتورهای هاب روتور خارجی در بازار تبدیل می کند. این دستگاه با سیستم های باتری 36 تا 48 ولت سازگار است، وزن آن تنها 1.95 کیلوگرم است و توان نامی 220 وات با بیش از 30 نیوتن متر گشتاور را ارائه می دهد. این موتور می تواند به 250 وات با گشتاور 40 نیوتن متر برسد. طراحی روتور خارجی آن خطاهای تجمعی را کاهش می دهد، استحکام، پایداری و دوام را افزایش می دهد.

پارامتر کلیدی
ساختار موتور: ولتاژ نامی (V): توان نامی (W):
موتور Hub Outrunner 36-48 180-250
اوج گشتاور (N.m.): وزن (کیلوگرم): قدیمی (میلی متر):
40 1.95 (220 وات) 135
اطلاعات جزئی
  • موتور توپی عقب HT MINI
  • موتور توپی عقب HT MINI
Ningbo Yinzhou HENTACH Electromechanical Co., Ltd. Product Parameters Ningbo Yinzhou HENTACH Electromechanical Co., Ltd. Drawing Ningbo Yinzhou HENTACH Electromechanical Co., Ltd. Contact Us

داده های اصلی

قدرت نامی 180-250
ولتاژ نامی 36-48
قطر چرخ 20-28
محدوده سرعت 25-38
حداکثر گشتاور 40
نسبت دنده 5
وزن (کیلوگرم) 1.95 (220 وات)

پارامترهای نصب

ترمز ترمز دیسکی
کاست سنسور گشتاور خیر
مسیر کابل کشی محور مرکزی سمت راست
سوراخ اسپک 2-18-Ф3.2
رتبه بندی ضد آب IP54 (تا IP65)
چرخ فلایویل / چرخ زنجیری چرخشی 7 سرعته
گواهینامه ها TUV/EN15194/RoHS

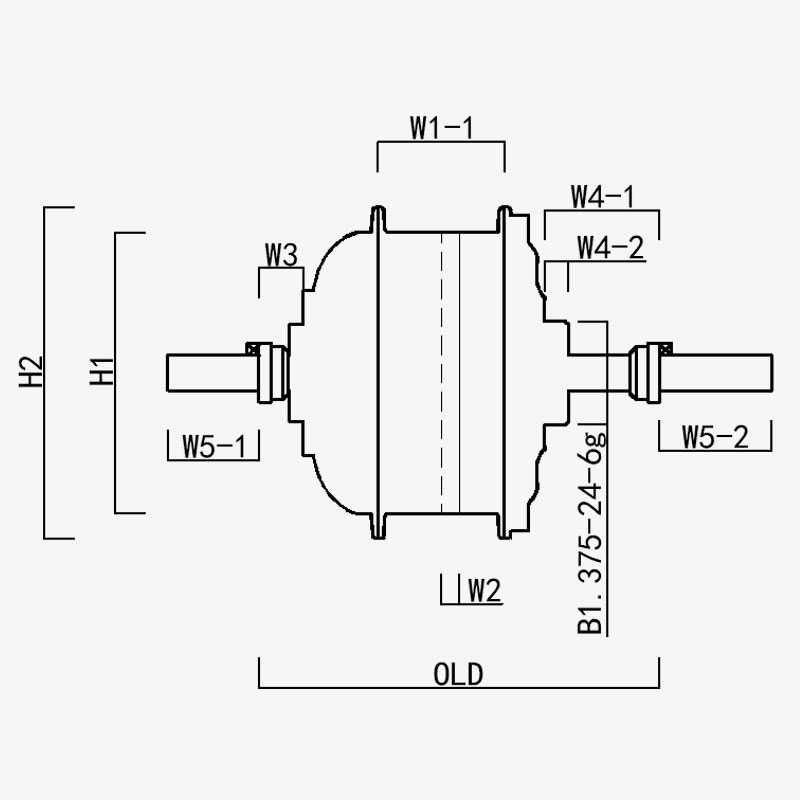
H1/OD: 95.5
H2/OD موتور: 112.5
W1(-1/-2): 43
W2: 6
W3: 15
W4(-1/-2): 39/9
W5(-1/-2): 31/39
قدیمی: 135
طول محور: 205
Ningbo Yinzhou HENTACH Electromechanical Co., Ltd.
با ما تماس بگیرید
  • ارسال و ارسال
Ningbo Yinzhou HENTACH Electromechanical Co., Ltd.
آنچه ما را متمایز می کند
  • این موتور دارای قطر بیرونی 95 میلی متر، با چرخ فلایویل چرخشی 7 سرعته، وزن تنها 1.95 کیلوگرم، موتور روتور بیرونی فوق سبک، توان نامی 250 وات و گشتاور استال تا 40 نیوتن متر است. شریک دوچرخه الکترونیکی

  • دنده فولادی پلاستیکی ثبت شده: 5 برابر گشتاور چرخ دنده های نایلونی. طول عمر بیش از 40000 کیلومتر؛ کاهش فروش پس از فروش

  • موتور روتور بیرونی: ساختار پایدارتر از روتور داخلی، نرخ شکست کمتر

ما کی هستیم بیش از 20 سال تجربه تولید

Ningbo Yinzhou HENTACH Electromechanical Co., Ltd. (هنگتای موتور سابق) در سال 1995 تأسیس شد و قبلاً با نام «هنگتای موتور» (نام چینی شرکت ما) شناخته می‌شد، در سال 2020 رسماً نام انگلیسی «هنتاچ موتور» را برگزیدیم. هر دو نام سازنده یکسانی هستند که بیش از 30 سال به نوآوری‌های الکترومکانیکی اختصاص داده شده است. متخصص در ریخته‌گری و پردازش دقیق موتورهای DC مینیاتوری، موتورهای الکتریکی/موتور سیکلت و آلیاژهای آلومینیوم-منیزیم برای وسایل نقلیه الکتریکی، ما سیستم کنترل کیفیت ISO 9001 دقیق، شیوه‌های مدیریت بالغ، و تجهیزات ساخت/آزمایش پیشرفته را برای ارائه راه‌حل‌های قابل اعتماد ترکیب می‌کنیم.

با قابلیت‌های جامع از ریخته‌گری مواد اولیه تا تحویل محصول نهایی، ما به بازارهای متنوعی از جمله دوچرخه‌های برقی، وسایل نقلیه باری، AGVها، ماشین‌های گلف، ماشین‌های کشاورزی و کارتینگ برقی خدمات ارائه می‌دهیم. محوطه ۹۰۰۰ متر مربعی (مساحت زیربنای ۵۰۰۰ متر مربع) ما بیش از ۶۰ واحد تجهیزات پیشرفته تولیدی، از جمله ماشین‌های ریخته‌گری تحت فشار ۵۰۰ تنی، ماشین‌های ابزار دقیق CNC، سیستم‌های علامت‌گذاری لیزری، خطوط اکسیداسیون میکرو قوس و دو میز تست موتور اختصاصی وسایل نقلیه الکتریکی را در خود جای داده است. این زیرساخت، تولید کارآمد و رعایت دقیق استانداردهای کیفیت بین‌المللی را تضمین می‌کند.

در HENTACH (هنگتای)، ما مواد با کیفیت بالا و فناوری انحصاری را در اولویت قرار می دهیم - دنده نایلونی فولادی ثبت شده ما گواهی بر برتری مهندسی ما است. برای تأیید دوام، یک بار برنامه تضمین مسافت پیموده شده را برای موتورهای بیش از 30000 مایل راه اندازی کردیم. نتیجه؟ بیش از 50 موتور نه تنها این معیار را برآورده کردند بلکه از آن پیشی گرفتند و برخی از آنها به 50000 مایل قابل توجه رسیدند. این عملکرد در دنیای واقعی تمرکز بی‌وقفه ما را بر قابلیت اطمینان منعکس می‌کند و ما را به نوآوری مداوم برای راه‌حل‌های موتوری هوشمندتر و قوی‌تر تشویق می‌کند.
به برندی که در سطح جهانی با نام‌های هنگتای موتور و هنتاچ موتور شناخته می‌شود اعتماد کنید - جایی که نوآوری دنده فولادی ثبت شده با دوام اثبات شده مطابقت دارد.

تایید شده توسط گواهینامه ها