eMTB / محموله الکترونیکی

موتور هاب عقب E-Type Pro RF750

موتور توپی عقب E-Type Pro RF750 برای دوچرخه های E-Cargo و E-MTB طراحی شده است که با نخ 7 سرعته روی چرخ آزاد و 135 میلی متر قدیمی سازگار است. قدرت نامی 750 وات با بیش از 85 نیوتن متر گشتاور، حمل بارهای بالا و زمین های پیچیده به راحتی است. این موتور مجهز به چرخ دنده های فولادی پلاستیکی ثبت شده، 5 برابر ظرفیت گشتاور چرخ دنده های نایلونی را فراهم می کند و بیش از 40000 کیلومتر دوام می آورد و هزینه های تعمیر و نگهداری را به میزان قابل توجهی کاهش می دهد. چه در تپه های شیب دار، چه مسیرهای ناهموار، یا حمل و نقل محموله های سنگین، توانایی بالا رفتن استثنایی و شتاب فوری را ارائه می دهد.

پارامتر کلیدی
ساختار موتور: ولتاژ نامی (V): توان نامی (W):
موتور هاب درایو عقب 36-48 350-750
اوج گشتاور (N.m.): وزن (کیلوگرم): قدیمی (میلی متر):
85 5.5 137
اطلاعات جزئی
  • موتور هاب عقب E-Type Pro RF750
  • موتور هاب عقب E-Type Pro RF750
Ningbo Yinzhou HENTACH Electromechanical Co., Ltd. Product Parameters Ningbo Yinzhou HENTACH Electromechanical Co., Ltd. Drawing Ningbo Yinzhou HENTACH Electromechanical Co., Ltd. Contact Us

داده های اصلی

قدرت نامی 350-750
ولتاژ نامی 36-48
قطر چرخ 20-28
محدوده سرعت 25-38
حداکثر گشتاور 85
نسبت دنده 5.27
وزن (کیلوگرم) 5.5

پارامترهای نصب

ترمز ترمز دیسکی
کاست سنسور گشتاور خیر
مسیر کابل کشی سمت چپ محور
سوراخ اسپک 2-18-Ф3.2
رتبه بندی ضد آب IP54 (تا IP65)
چرخ فلایویل / چرخ زنجیری چرخشی 7 سرعته
گواهینامه ها TUV/EN15194/RoHS

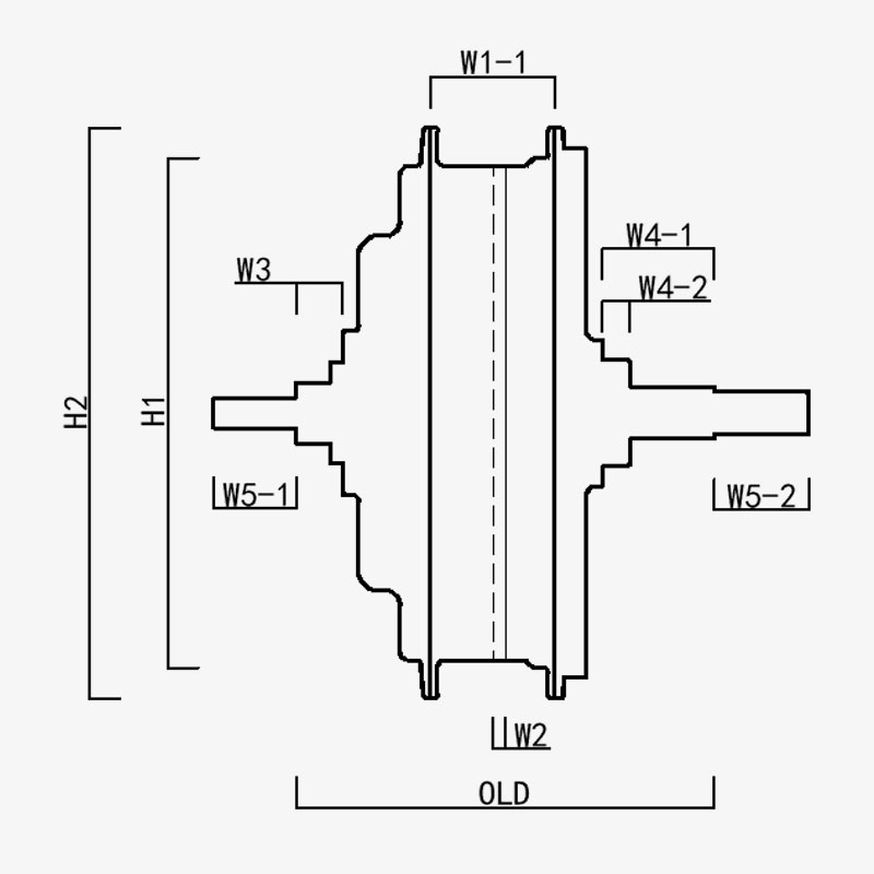
H1/OD: 167
H2/OD موتور: 187
W1(-1/-2): 40.8
W2: 4.15
W3: 15.2
W4(-1/-2): 37/9
W5(-1/-2): 27/31
قدیمی: 137
طول محور: 195
Ningbo Yinzhou HENTACH Electromechanical Co., Ltd.
با ما تماس بگیرید
  • ارسال و ارسال
Ningbo Yinzhou HENTACH Electromechanical Co., Ltd.
آنچه ما را متمایز می کند
  • موتور توپی محرک عقب قدرتمند، با فلایویل چرخشی 7 سرعته، دهانه دنده 135 میلی متری، سازگاری بالاتر و توان نامی تا 750 وات.

  • دنده فولادی پلاستیکی ثبت شده: 5 برابر گشتاور دنده نایلونی. طول عمر بیش از 40000 کیلومتر؛ کاهش فروش پس از فروش

  • گشتاور استال تا 85 نیوتن متر، مخصوصاً برای eMTB/Cargo طراحی شده است.

ما کی هستیم بیش از 20 سال تجربه تولید

Ningbo Yinzhou HENTACH Electromechanical Co., Ltd. (هنگتای موتور سابق) در سال 1995 تأسیس شد و قبلاً با نام «هنگتای موتور» (نام چینی شرکت ما) شناخته می‌شد، در سال 2020 رسماً نام انگلیسی «هنتاچ موتور» را برگزیدیم. هر دو نام سازنده یکسانی هستند که بیش از 30 سال به نوآوری‌های الکترومکانیکی اختصاص داده شده است. متخصص در ریخته‌گری و پردازش دقیق موتورهای DC مینیاتوری، موتورهای الکتریکی/موتور سیکلت و آلیاژهای آلومینیوم-منیزیم برای وسایل نقلیه الکتریکی، ما سیستم کنترل کیفیت ISO 9001 دقیق، شیوه‌های مدیریت بالغ، و تجهیزات ساخت/آزمایش پیشرفته را برای ارائه راه‌حل‌های قابل اعتماد ترکیب می‌کنیم.

با قابلیت‌های جامع از ریخته‌گری مواد اولیه تا تحویل محصول نهایی، ما به بازارهای متنوعی از جمله دوچرخه‌های برقی، وسایل نقلیه باری، AGVها، ماشین‌های گلف، ماشین‌های کشاورزی و کارتینگ برقی خدمات ارائه می‌دهیم. محوطه ۹۰۰۰ متر مربعی (مساحت زیربنای ۵۰۰۰ متر مربع) ما بیش از ۶۰ واحد تجهیزات پیشرفته تولیدی، از جمله ماشین‌های ریخته‌گری تحت فشار ۵۰۰ تنی، ماشین‌های ابزار دقیق CNC، سیستم‌های علامت‌گذاری لیزری، خطوط اکسیداسیون میکرو قوس و دو میز تست موتور اختصاصی وسایل نقلیه الکتریکی را در خود جای داده است. این زیرساخت، تولید کارآمد و رعایت دقیق استانداردهای کیفیت بین‌المللی را تضمین می‌کند.

در HENTACH (هنگتای)، ما مواد با کیفیت بالا و فناوری انحصاری را در اولویت قرار می دهیم - دنده نایلونی فولادی ثبت شده ما گواهی بر برتری مهندسی ما است. برای تأیید دوام، یک بار برنامه تضمین مسافت پیموده شده را برای موتورهای بیش از 30000 مایل راه اندازی کردیم. نتیجه؟ بیش از 50 موتور نه تنها این معیار را برآورده کردند بلکه از آن پیشی گرفتند و برخی از آنها به 50000 مایل قابل توجه رسیدند. این عملکرد در دنیای واقعی تمرکز بی‌وقفه ما را بر قابلیت اطمینان منعکس می‌کند و ما را به نوآوری مداوم برای راه‌حل‌های موتوری هوشمندتر و قوی‌تر تشویق می‌کند.
به برندی که در سطح جهانی با نام‌های هنگتای موتور و هنتاچ موتور شناخته می‌شود اعتماد کنید - جایی که نوآوری دنده فولادی ثبت شده با دوام اثبات شده مطابقت دارد.

تایید شده توسط گواهینامه ها