eMTB / محموله الکترونیکی

موتور توپی عقب E-Type RF500

موتور توپی عقب E-Type RF500 برای دوچرخه های E-Cargo و E-MTB طراحی شده است که با سیستم های 36V/48V سازگار است. قدرت نامی 500-750 وات و بیش از 75 نیوتن متر گشتاور را ارائه می دهد و زمین های پیچیده و بارهای سنگین را به راحتی مدیریت می کند. این موتور از چرخ‌های 20 تا 28 اینچی پشتیبانی می‌کند، وزن آن تنها 4.2 کیلوگرم است، و دارای یک خروجی 100 میلی‌متری با ضریب دنده 5.4 است. این طراحی گشتاور خروجی را بهینه می‌کند و از شتاب نرم در سرعت‌های پایین و راندمان بهتر اطمینان می‌دهد.

پارامتر کلیدی
ساختار موتور: ولتاژ نامی (V): توان نامی (W):
موتور هاب درایو عقب 36-48 250-500
اوج گشتاور (N.m.): وزن (کیلوگرم): قدیمی (میلی متر):
75 4.2 135
اطلاعات جزئی
  • موتور توپی عقب E-Type RF500
  • موتور توپی عقب E-Type RF500
Ningbo Yinzhou HENTACH Electromechanical Co., Ltd. Product Parameters Ningbo Yinzhou HENTACH Electromechanical Co., Ltd. Drawing Ningbo Yinzhou HENTACH Electromechanical Co., Ltd. Contact Us

داده های اصلی

قدرت نامی 250-500
ولتاژ نامی 36-48
قطر چرخ 20-28
محدوده سرعت 25-38
حداکثر گشتاور 75
نسبت دنده 5.4
وزن (کیلوگرم) 4.2

پارامترهای نصب

ترمز ترمز دیسکی
کاست سنسور گشتاور خیر
مسیر کابل کشی محور مرکزی سمت راست
سوراخ اسپک 2-18-Ф3.2
رتبه بندی ضد آب IP54 (تا IP65)
چرخ فلایویل / چرخ زنجیری روتاری فلای 7 سرعته/کافی (OLD142)
گواهینامه ها TUV/EN15194/RoHS

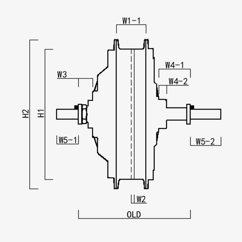
H1/OD: 157
H2/OD موتور: 180
W1(-1/-2): 36
W2: 3.75
W3: 15.2
W4(-1/-2): 38/9.5
W5(-1/-2): 26/37
قدیمی: 135
طول محور: 198
Ningbo Yinzhou HENTACH Electromechanical Co., Ltd.
با ما تماس بگیرید
  • ارسال و ارسال
Ningbo Yinzhou HENTACH Electromechanical Co., Ltd.
آنچه ما را متمایز می کند
  • موتور هاب درایو عقب قدرتمند، دهانه دنده 135 میلی متر، قدرت نامی تا 500 وات

  • دنده فولادی پلاستیکی ثبت شده: 5 برابر گشتاور دنده نایلونی. طول عمر بیش از 40000 کیلومتر؛ کاهش فروش پس از فروش

  • گشتاور استال تا 75 نیوتن متر، مخصوصاً برای eMTB/Cargo طراحی شده است.

ما کی هستیم بیش از 20 سال تجربه تولید

Ningbo Yinzhou HENTACH Electromechanical Co., Ltd. (هنگتای موتور سابق) در سال 1995 تأسیس شد و قبلاً با نام «هنگتای موتور» (نام چینی شرکت ما) شناخته می‌شد، در سال 2020 رسماً نام انگلیسی «هنتاچ موتور» را برگزیدیم. هر دو نام سازنده یکسانی هستند که بیش از 30 سال به نوآوری‌های الکترومکانیکی اختصاص داده شده است. متخصص در ریخته‌گری و پردازش دقیق موتورهای DC مینیاتوری، موتورهای الکتریکی/موتور سیکلت و آلیاژهای آلومینیوم-منیزیم برای وسایل نقلیه الکتریکی، ما سیستم کنترل کیفیت ISO 9001 دقیق، شیوه‌های مدیریت بالغ، و تجهیزات ساخت/آزمایش پیشرفته را برای ارائه راه‌حل‌های قابل اعتماد ترکیب می‌کنیم.

با قابلیت‌های جامع از ریخته‌گری مواد اولیه تا تحویل محصول نهایی، ما به بازارهای متنوعی از جمله دوچرخه‌های برقی، وسایل نقلیه باری، AGVها، ماشین‌های گلف، ماشین‌های کشاورزی و کارتینگ برقی خدمات ارائه می‌دهیم. محوطه ۹۰۰۰ متر مربعی (مساحت زیربنای ۵۰۰۰ متر مربع) ما بیش از ۶۰ واحد تجهیزات پیشرفته تولیدی، از جمله ماشین‌های ریخته‌گری تحت فشار ۵۰۰ تنی، ماشین‌های ابزار دقیق CNC، سیستم‌های علامت‌گذاری لیزری، خطوط اکسیداسیون میکرو قوس و دو میز تست موتور اختصاصی وسایل نقلیه الکتریکی را در خود جای داده است. این زیرساخت، تولید کارآمد و رعایت دقیق استانداردهای کیفیت بین‌المللی را تضمین می‌کند.

در HENTACH (هنگتای)، ما مواد با کیفیت بالا و فناوری انحصاری را در اولویت قرار می دهیم - دنده نایلونی فولادی ثبت شده ما گواهی بر برتری مهندسی ما است. برای تأیید دوام، یک بار برنامه تضمین مسافت پیموده شده را برای موتورهای بیش از 30000 مایل راه اندازی کردیم. نتیجه؟ بیش از 50 موتور نه تنها این معیار را برآورده کردند بلکه از آن پیشی گرفتند و برخی از آنها به 50000 مایل قابل توجه رسیدند. این عملکرد در دنیای واقعی تمرکز بی‌وقفه ما را بر قابلیت اطمینان منعکس می‌کند و ما را به نوآوری مداوم برای راه‌حل‌های موتوری هوشمندتر و قوی‌تر تشویق می‌کند.
به برندی که در سطح جهانی با نام‌های هنگتای موتور و هنتاچ موتور شناخته می‌شود اعتماد کنید - جایی که نوآوری دنده فولادی ثبت شده با دوام اثبات شده مطابقت دارد.

تایید شده توسط گواهینامه ها